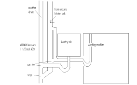
Note: This pipe connects our washing machine and kitchen sink. If we do nothing, the sink is next. Problem is, the jetter may or may not work. If it does not work, we will have to run new piping. The plumber suggested just have it run into the yard since it is just the washing machine and kitchen sink, not the toilet. Near the kitchen sink, it may be easier to replace the sink trap with one incorporating a washing machine hose outlet. Unscrew the old trap, using a damp cloth to grip the locking rings. Assemble the new trap
Source: plumbing-geek.com Washing Machine Pipes, Pipe Configuration Images, Helpful Tips Source: instructables.com Connecting A Washing Machine To A Kitchen Sink : 6 Steps Instructables Source: homeconstructionimprovement.com Sewer Smell In Laundry Room Source: removeandreplace.com Washing Machine In Garage Where Do I Let It Drain Utility Sink, Standpipe, Sink Drain? Source: en.wikipedia.org Trap (Plumbing) Wikipedia Source: appliance411.com Appliance411 Faq: Washing Machine Won'T Stay Full Of Water Source: housebeautiful.com How To Plumb In A Washing Machine Source: instructables.com Connecting A Washing Machine To A Kitchen Sink : 6 Steps Instructables Source: diy.stackexchange.com How Can I Connect This Washing Machine Outlet To The Drain? Home Improvement Stack Exchange Source: juliancassell.com Julian Cassell'S Diy Blog Blog Archive Plumbing In A Dishwasher Or Washing Machine. How To Diy What To Use Where To Buy Source: diy.stackexchange.com How Do I Connect Both My Dishwasher And Washing Machine Waste Pipe To The Same Sink? Home Improvement Stack Exchange Source: diynot.com Washing Machine Filling With Sink Water Diynot Forums Source: dengarden.com Why Do We Need Bottle Traps For Wash Basins? Dengarden Home And Garden Source: plumbing-geek.com Washing Machine Pipes, Pipe Configuration Images, Helpful Tips Source: how-to-repair.com How To Repair Washing Machine Is Constantly Filling Or Filling When Switched Off Source: maplewoodplumbing.com Laundry Standpipe Maplewood Plumbing Source: blog.buyspares.co.uk Ten Top Tips For Plumbing In A Washing Machine Everything Homes Source: houzz.com Washing Machine Drain Under Kitchen Sink Source: lg.com Help Library: Drain Hose Installation Lg New Zealand Source: thespruce.com How To Diagnose And Fix Washing Machine Drain Problems Source: forum.nachi.org Does Draining A Dishwasher To Basement Floor Drain Count As An Air Gap? Plumbing Inspections Internachi Forum Source: diy.stackexchange.com How Can I Connect This Washing Machine Outlet To The Drain? Home Improvement Stack Exchange Source: plumbing-geek.com Washing Machine Drain Plumbing Source: youtube.com Install Wall Hung Laundry Utility Tub, Washer Standpipe, Air Admittance Valve Youtube Source: terrylove.com Where To Add Washing Machine Standpipe To Stack Terry Love Plumbing Advice & Remodel Diy & Professional Forum Source: emergencyplumber.uk.com 9 Blocked Sink Waste Problems & Cures Q&A Source: whitegoodshelp.co.uk Installing A Washing Machine Drain Hose Whitegoodshelp Source: familyhandyman.com How To Prevent Clogged Drains Source: basementissues.com Diagnose, Fix & Prevent Washing Machine Drain Problems Diy Source: homeguides.sfgate.com What Do You Do When Washing Machine Water Backs Up To The Kitchen Sink? Source: homedepot.com How To Install A Washing Machine The Home Depot Source: removeandreplace.com Washing Machine In Garage Where Do I Let It Drain Utility Sink, Standpipe, Sink Drain? Source: bangshift.com These Old House Drains Are Draining Me The Bangshift.Com Forums Source: reddit.com How Would You Tie In A 2 Utility Sink Drain On This Washer Drain? On The Vent Stack Or The Washer Standpipe/P Trap? I Decided To Install On After I Got All Of Source: diy.stackexchange.com What Could Be Causing The Washing Machine Waste Pipe To Overflow? Home Improvement Stack Exchange Source: quora.com Do You Have To Have A P Trap On A Washing Machine Drain? Quora Source: hometips.com Sink & Drain Plumbing Hometips Source: handymanknowhow.co.uk How To Install A Washing Machine Or Dishwasher Made Easy Source: youtube.com Washing Machine Waste Backing Up To Kitchen Sink Youtube Source: reddit.com Help With Washing Machine P Trap : Plumbing Source: terrylove.com Recommend Best Way To Pipe Sink/Washing Machine In Basement Terry Love Plumbing Advice & Remodel Diy & Professional Forum Source: forum.homeone.com.au View Topic How To Connect Drain Hose Of Washing Machine Home Renovation & Building Forum Source: blog.espares.co.uk How To Install A Washing Machine (Step By Step Guide) Source: housebeautiful.com Do Portable Washing Machines Really Work? Black + Decker Portable Washer Review Source: pinterest.com No Air Gap For Dishwasher Air Gap Dishwasher Dishwasher Air Gap Leaking Dishwasher Drain Air Gap Dishwasher No A Plumbing Installation, Plumbing Drains, Plumbing Source: diy.stackexchange.com Installing A Washing Machine Sink Drain Pipe Closed Home Improvement Stack Exchange Source: bhg.com Setting Up A Laundry Room Better Homes & Gardens Source: thespruce.com How To Replace The Drain Trap On A Sink Source: pinterest.com Install A Washing Machine Washing Machine Drain Hose, Washing Machine Hose, Utility Rooms Source: thespruce.com Identifying The Parts Of A Home Drain System Source: naturalhandyman.com Install A Washing Machine Source: amazon.com Amazon.Com: Drain Waste Trap Pipe Connector 1 1/2" Bsp X 40Mm With Double Dishwasher Input: Home Improvement Source: waterheatertimer.org How To Install Vent Under Sink Source: renovateforum.com Renovate Forums Source: avforums.com Sink Waste Pipe Come Apart And Won'T Go Back Together Avforums Source: reddit.com Howdy, How'S Best Connecting Dishwasher Waste Pipe To The Pipes Under The Sink? : Plumbing Source: howtofixit.net Does Washing Machine Drain Hose Need To Be Elevated? Diy Appliance Repairs, Home Repair Tips And Tricks Source: doityourself.com Correct Way To Pipe This For Washing Machine / Laundry Sink Doityourself.Com Community Forums Source: youtube.com Washing Machine Waste Smelling Or Blocked. Water Coming Up In The Sink. Youtube Source: terrylove.com Utility Tub And Washing Machine Drain Size Requirement Of 3"?? Ipc 406.3 Terry Love Plumbing Advice & Remodel Diy & Professional Forum Source: doityourself.com Relocating Washing Machine Drain Hose Doityourself.Com Community Forums Source: ajperri.com How To Avoid Plumbing Clogs And Backups A.J. Perri Source: saniflo.com Saniswift Easy Solution For Remote Laundry Room Installation Saniflo Source: youtube.com Connecting To A Sink Haier Hlpw028Axw Top Load Compact Washer Youtube Source: structuretech.com The Most Common Dishwasher Installation Defect Structure Tech Home Inspections Source: avforums.com Sink Waste Pipe Come Apart And Won'T Go Back Together Avforums Source: overclockers.co.uk Smelly Washing Machine Overclockers Uk Forums Source: reddit.com Washing Machine Drain Pipe Fills Up Too Fast After A Cycle And Overflows. Ideas? : Plumbing Source: boards.straightdope.com Removing A Blanked Inlet To Waste Pipe Under Sink General Questions Straight Dope Message Board Source: terrylove.com Recommend Best Way To Pipe Sink/Washing Machine In Basement Terry Love Plumbing Advice & Remodel Diy & Professional Forum Source: doityourself.com Plumbing For New Laundry Sink And Washing Machine What Is This Drain?! Doityourself.Com Community Forums Source: nymag.com 10 Best Portable Washing Machines 2020 The Strategist New York Magazine Source: plbg.com Adding A Laundry Sink To An Existing Waste Hub. Source: removeandreplace.com Washing Machine Draining Causes Sinks And Toilet To Gurgle How To Fix Source: howtofixit.net Does Washing Machine Drain Hose Need To Be Elevated? Diy Appliance Repairs, Home Repair Tips And Tricks Source: plumbing-geek.com Washing Machine Pipes, Pipe Configuration Images, Helpful Tips Source: pistonheads.com Smell From Sink While Using Washing Machine Page 1 Homes, Gardens And Diy Pistonheads Uk Source: housebeautiful.com Do Portable Washing Machines Really Work? Black + Decker Portable Washer Review Source: ahs.com What Is A Washing Machine Drain Pan? Home Matters Ahs Source: familyhandyman.com Septic System: How To Filter Out Laundry Lint (Diy) Family Handyman Source: pistonheads.com Smell From Sink While Using Washing Machine Page 1 Homes, Gardens And Diy Pistonheads Uk Source: diynot.com Washing Machine Making Gurgling Noises From The Sink. Diynot Forums Source: homedepot.com How To Install A Washing Machine The Home Depot Source: youtube.com New Washing Machine Plumbing Installation Water Supply And Waste Youtube Source: avforums.com Plumbing Helpconnecting Washing Machine And Tumble Dryer To Waste Pipe? Avforums Source: pinterest.com Plumbing In A Dishwasher Or Washing Machine. Washing Machine In Kitchen, Diy Plumbing, Plumbing Installation Source: quora.com Do You Have To Have A P Trap On A Washing Machine Drain? Quora Source: pinterest.com Washing Machine Measurements For Washer Vent Waste Discharge Install Plumbing Installation, Plumbing Drains, Plumbing Source: doityourself.com Relocating Washing Machine Drain Hose Doityourself.Com Community Forums Source: diy.stackexchange.com Connecting A Washing Machine And Tumble Dryer To The Same Sink Drain Home Improvement Stack Exchange Source: pinterest.co.uk Connecting Washing Machine To Sink Waste Moneysavingexpert.Com Forums Washing Machine In Kitchen, Washing Machine Installation, Dishwasher Installation Source: balkandraincleaning.com About Your Washing Machine Drain Hose Connections And Maintenance Source: diy.stackexchange.com How Do I Connect Both My Dishwasher And Washing Machine Waste Pipe To The Same Sink? Home Improvement Stack Exchange Source: how-to-repair.com How To Repair Washing Machine Not Spinning Source: plumbersforums.net Washing Machine Standpipe Setup Plumbersforums.Net Source: howtolookatahouse.com What Is The Maximum Length For A Washing Machine Drain Hose? Source: diydata.com Connecting A Washing Machine Or Dishwasher To The Water Supply And Drainage Source: doityourself.com Relocating Washing Machine Drain Hose Doityourself.Com Community Forums Source: hawk-hill.com Portable Washing Machines: How To Buy & Use + 3 Easy Installation Tips Hawk Hill Source: lg.com Help Library: Drain Hose Installation Lg New Zealand
suggestion: plumbing washing machine into sink waste
how to connect washing machine waste pipe under sink
can washing machine waste go into sink waste
how to plumb in a washing machine under the sink
how do you connect a washing machine waste pipe to a sink
0 Response to "plumbing washing machine into sink waste"
Posting Komentar